
Analyze impact of unbalanced system open phase fault
Vendor
ETAP
Company Website

Single & Double Phase Series Fault
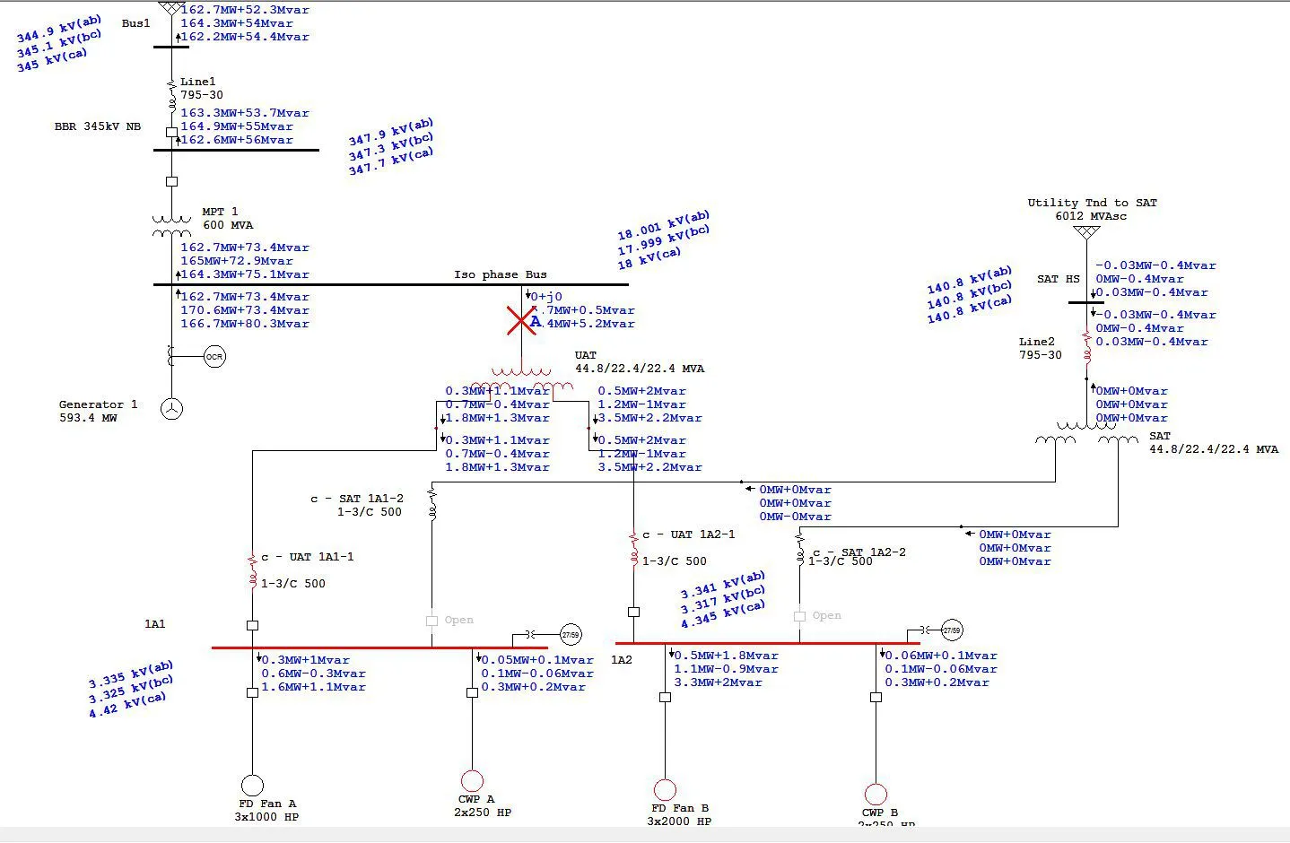
Graphically apply and study the impact of open-phase condition in an unbalanced electrical power distribution system. Apply single phase series fault on either phase A, B, C or double phase series fault on AB, BC or CA. Simulate the impact of series faults with steady-state solution without the initial transients. For transformers, the effects of an embedded winding, no-load current and losses, transformer type (core and shell), and inter-phase A, B, C mutual coupling, including zero-sequence are included.
Graphical Placement of the Open-Phase on the One-Line Diagram
Easily place open-phase faults (phase A, B, or C) at any terminal of the three-phase branches, including two-winding and three-winding transformers, cables, transmission lines, impedances, and reactors.
Induction Motor Modeling
The modeling of induction motors has been enhanced to handle severe unbalanced system conditions caused by an open-phase fault, including the effects of negative-sequence current.
Transformer Modeling
Construction Type
Capability to model various types of transformers has been added, including Shell and Core with 3, 4, and 5 limbs, for both 2-winding and 3-winding transformers.
Magnetization
Based on the no-load data, the magnetizing impedance for positive, negative, and zero sequence couplings are now calculated and taken into account.
Buried Winding
Effects of an embedded (buried) winding, for two and three winding transformers are included.
Reporting
The zero-sequence current circulating inside the embedded delta–connected winding is reported.