
A comprehensive platform for 1D-3D pore pressure and stress modeling, integrating geophysics, geology, and drilling data for risk assessment.
Vendor
Ikon Science
Company Website



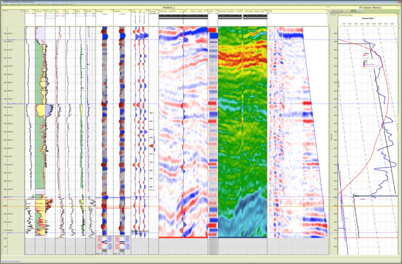
RokDoc's Pressure Prediction module offers a complete solution for 1D to 3D pore pressure and stress analysis. It integrates data from geophysics, geology, rock physics, geomechanics, and drilling operations, along with global analogs, to construct robust, geologically driven pressure and stress models. The platform allows for rapid analysis of pressure and stress data, seamless integration of offset well, seismic, and geological data, and assessment of model uncertainty. This provides deeper insights into undrilled prospect areas. The software facilitates knowledge capture and consistent workflows by providing access to all data types within a single platform. The interaction between pre-drill modeling and real-time monitoring ensures continuous data flow for safe and cost-effective well delivery. Users can propagate 1D models into 2D/3D using various geostatistical and inversion methods, articulating decisions and maximizing safety through effective communication of well planning and trajectory risks in a clear visualization environment. The module excels at capturing uncertainty by considering multiple factors and visualizing them within pore pressure and fracture gradient (PPFG) models, effectively communicating risks during well planning. Scenario and stochastic modeling enable analysts to explore dataset uncertainties and test multiple potential outcomes. The add-on module for Geomechanics and Image Logs is vital for understanding stress states, crucial for well plan design, completions optimization, cap rock integrity, and wellbore stability. It accelerates learning of rock mechanical properties, predicts rock deformation, and interprets image logs for breakouts, sedimentology, and fractures. Key features include surface picking, image log conditioning, static-dynamic property calibration, wellbore stability analysis, and stereonet plotting.
Features & Benefits
- Integrated Data Analysis: Combines geophysics, geology, rock physics, geomechanics, drilling data, and global analogs for robust modeling.
- 2D/3D Model Propagation: Propagates 1D models into 2D/3D using geostatistical and inversion techniques for comprehensive analysis.
- Uncertainty Capture & Risk Communication: Utilizes scenario and stochastic modeling to explore uncertainties and effectively communicate risks to all involved teams.
- Geomechanics & Image Log Interpretation: Analyzes stress states, rock mechanical properties, and image logs for wellbore stability and production optimization.